Модифікація датчика руху при використанні освітлення на світлодіодах

Потихеньку переводжу домашнє освітлення на використання світлодіодів.
Так дуже приємно не вмикати освітлення самому, а використовувати датчики руху на основі - пасивних інфрачервоних сенсорів PIR (passive infrared sensor).
Так, наприклад, у коридорі стоїть датчик руху з лампочкою LED потужністю 5W, а біля кухні датчик руху з потужнім світлодіодом LED потужністю 10W.
Коли, раніше, використовували лампи розжарення потужністю 75-100W, то ніколи ніхто не замислювався про те, а скільки споживає електричної енергії схема систем керування і який її відсоток від загального споживання. Але з часом переходу на більш економні лампи на світлодіодах, відсоток споживання електричної енергії плати керування, став зовсім іншим.
Тому мета з’ясувати скільки що споживає, і чи можливо щось вдіяти з цим.
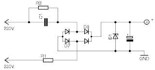
Схема блока живлення
Так розібравши датчики руху на основі - пасивних інфрачервоних сенсорів, і проаналізувавши схему системи живлення, з’ясував що використано без трансформаторну схему що зменшує напругу з 230V до 30V за допомогою послідовно включених конденсатора та резистора. Така схема стабілізує напругу за допомогою діода Зенера (стабілітрон) у плечі постійного навантаження, таким чином забезпечується стабільна напруга при малій силі струму споживання, але при цьому схема має постійне споживання сили струму.

Безтрансформаторна схема блока живлення.
УВАГА! Така схема може вдарити струмом, якщо доторкатися оголеними частинами тіла людини до елементів схеми.
Виміри
Заміряв силу струму споживання схеми по вхідній напрузі 230V, і з’ясував що:
| режим очікування | навантаження LED 5W | навантаження LED 10W |
| 20mA | 48mA | 60mA |
Потужність (режим очікування): 230*0.020=4.6 V·A
Споживання (режим очікування):
- добове: 4.6 V·A * 24=110.4 W·h
- за місяць: 110.4 W·h * 30=3.3 kW·h , *вартість 3.3kW·h*1.68=5.5 грн
- за рік: 110.4 W·h * 365=40.3 kW·h , *вартість 40.3kW·h*1.68=67.7 грн
*вартість за умови тарифу з 2017 року: 1.68 грн
Таким чином, відношення ввімкненого стану самої лампи LED 5W, і режимом очікування датчика руху 4.6W є 0.92, тобто датчик руху економить тільки 8% у порівнянні з тим щоб лампочка була постійно ввімкнена. За місяць лампочка 5W споживає 3.6 kW·h, або 6.05 грн*.
Якби використати лампи розжарення потужністю, наприклад 60W, то економія становила б 92% у порівнянні з тим щоб лампочка була постійно ввімкнена. Але ,наприклад, за місяць лампочка 60W споживає 43.2 kW·h, або 72.57 грн*.
Маючи такі показники, ідея приходить сама по собі, треба щось робити, або залишити так як є. Так як є бажання вдосконалень домашньої техніки у межах проекту розумний дім, буду перероблювати.
Ідея
Замінити електричну частину схеми датчика руху, на більш економічну у режимі очікування.
Можливо декілька шляхів розвитку:
- замінити тільки частину блока живлення з безтрансформаторну, на імпульсний блок живлення на 30V.
- замінити плату керування повністю
Так як логіка роботи датчик руху була не задовільна, вирішив піти шляхом заміни плати повністю.
Реалізація
Залишаю від датчика руху тільки пластиковий корпус і додатково замовляю такі деталі:
- зарядний пристрій для мобільного телефону на 230V, вихід 5V, 500 mA. ($0.9)
| Зарядний пристрій мобільного телефону | Зарядний пристрій мобільного телефону, начинка. |
- модульна плата PIR сенсор HC-SR501 ($0.77)
- MOC3021M, мікросхема для керування симістором (TRIAC) з оптичною розв’язкою, та схемою керування переходу через нуль фази. ($0.32)
- силовий симістор (TRIAC), BTA16-600 ($0.23), 16A, 600V
- транзистор BC547 ($0.03)
- два резистори 300 Ом, 0.125W ($0.01)
- запобіжник, 0.5А ($0.01)
- роз’єми
Приблизна вартість деталей склала $2.27.
Схема
Розроблено схему для підключень нових компонентів.

Схема підключень нового датчика руху
Монтаж
Усі компоненти змонтовані у корпусі старого датчика руху. Від старого датчика також залишив лінзу Френеля (fresnel), а лінзу fresnel у модуля HC-SR501 зняв. Монтував за допомогою термічного клею типу пістолет.

Новий датчик руху зі зовнішнім датчиком освітлення
###
Виміри струму споживання нової схеми
Заміряв силу струму споживання схеми по вхідній напрузі 230V, і з’ясував що:
| режим очікування | навантаження LED 10W |
| 0.1mA | 36mA |
Потужність (режим очікування): 230*0.0001=0.023 V·A
Споживання (режим очікування):
- добове: 0.023 V·A * 24=0.552 W·h
- за місяць: 0.552 W·h * 30=0.017 kW·h , *вартість 0.017kW·h*1.68=0.03 грн
- за рік: 0.552 W·h * 365=0.2 kW·h , *вартість 0.2kW·h*1.68=0.336 грн
Висновок
Нова схема коштувала ~$2.27 (~57 грн).
Економія використання нової схеми у порівнянні зі старою схемою (режим очікування) склала:
- за місяць: 5.5 грн - 0.03 грн=5.47 грн
- за рік: 67.7 грн - 0.34 грн= 67.36 грн
Самоокупність схеми склала: 57/67.36=0.85 роки, або ~10 місяців.





