Ремонт мультиварки DEX-65, заміна блока живлення
Пройшов час, і та мультиварка котру було подаровано донці, перестала працювати.
Так як використовувалася у тяжких умовах для техніки - у гуртожитку, з головними героями - тарганами :)
Так як була ще гарантія, донька звернулась до авторизованого сервісного центру. Після діагностики з’ясувалося що це не гарантійний випадок, ну і зрозуміло - таргани. Пропонували оплатний ремонт у 850 грн, але то за багато, тому що можливо придбати або нову або вживану за такі кошти. Тому я попросив привези мультиварку на запчастини.
Розібрав, глянув як по працювали невмирущі жучки, молодці - люблять тепленьке:) Трохи підчистив, пройшовся пилосмоком. Добрався до плат керування, знайшов залишки того таргана котрий ходив пішки по платі, і там видно частини що вигоріли.

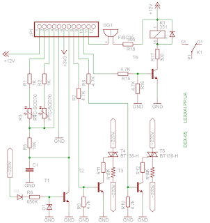
Блок живлення, та керування DEX-65

Блок живлення, та керування DEX-65
Проаналізувавши приблизно схему з’ясувалося відсутнє живлення +12В. Підключив зовнішнє живлення +12В від антенного підсилювача і з’ясував що процесорний модуль працює, ініціалізує індикатор, дає короткий писк бузер, і починають працювати часи, але це і все.
За аналізом схеми з’ясував що на 7 ніжці роз’єму, досить цікава зав’язка на 220В, тому і вирішив підключити іншу частину схеми до 220В. В результаті, вся схема запрацювала.

Приблизна схема підключень до роз’єму від процесорного модуля DEX-65.

Блок процесорного керування та дисплей DEX-65
Так як часу на відновлення імпульсного блоку живлення не було часу, я заміряв силу струму споживання схеми по 12В, з’ясував що при включеному реле = 68мА. Що є допустимим для блоку живлення що використовується до 100мА, 12В. І вирішив його там і залишити, попередньо зафіксувавши.

Змонтована DEX-65,з зовнішнім блоком живлення на 12В.
За даним ремонтом так і не купили нову мультиварку, і зберегли кошти на оплатний сервісний ремонт.